
國家高新技術企業
英文站
收藏我們
網站地圖
針對金屬板材的十字接頭盒搭接接頭,國標GB/T26957-2011規定了帶有橫向應力角焊縫焊接接頭拉伸試驗的程序和試樣尺寸要求,測定抗拉強度與斷裂位置,使用試驗機完成測試。
試驗設備:拉力試驗機
原理:對焊接接頭試樣連續施加拉伸力直至破斷。
除非另有規定,試驗溫度一般在常溫下進行。
除非另有規定,拉伸試驗按GB/T228進行。
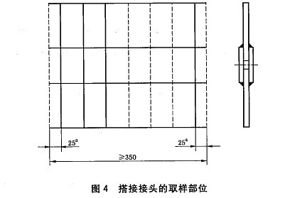
試樣的截取,不得影響到試樣性能變化。
試樣圖示:
十字接頭試樣:


搭接接頭試樣:


試驗開始前,應測量并記錄試樣尺寸;開動試驗機,沿焊縫軸線垂直方向對試樣連續施加拉伸力,直至其破斷,加力速度應保持均勻,不得有突變,求取抗拉強度等參數。